Rédacteur : JMT - dernière mise à jour : 18/04/2007
sypal
retour
accueil
Palettes CP

Les palettes CP sont des palettes en bois destinées à être utilisées dans le secteur industriel
des produits chimiques et des matières plastiques.

R�le de l'APME dans la gestion des palettes CP
Caract�ristiques communes aux palettes CP
Plans des palettes CP 1 � 9
Marquage caract�ristique des palettes CP

Dans le préambule du cahier des charges des palettes CP, ces palettes sont présentées ainsi :

L'industrie chimique européenne utilise une grande quantité de palettes en bois pour la distribution des marchandises. Pour des raisons de protection de l’environnement il est absolument nécessaire d'organiser la réutilisation de ces palettes.
Deux associations, le VCI (Union des industries chimiques d’Allemagne) et l'APME (association des fabricants de plastiques en Europe), ont fourni à leurs entreprises membres la possibilité de développer un standard pour des palettes en bois et un système permettant leur réutilisation.

Compte tenu de ce rôle limité, la VCI et l’APME ne peuvent pas être jugés responsables d'aucun problème ou responsabilité, qui peuvent résulter de l'utilisation du système de CP (le sigle CP signifie des palettes pour l’industrie chimique).
Une équipe d'experts de diverses entreprises produisant des produits chimiques et plastiques, conseillée par des spécialistes du matériau bois et de la palette, a rédigé les caractéristiques et les spécifications pour la fabrication et de reconditionnement des palettes pour l’industrie chimique (CP).
Une particulière attention a été prêtée à la qualité, à la sécurité et aux aspects environnementaux.

Ce document décrit l'enregistrement des fournisseurs de palette et le système pour collecter les palettes CP après utilisation. Il définit la fabrication, le reconditionnant et les critères de garantie de la qualité des palettes CP. Il informe au sujet de la charge utile sûre des palettes CP.
Il est établi en anglais. Les traductions en néerlandais, allemand et français sont également disponibles.

[NDT : la version française de la dernière édition n'est pas disponible à ce jour - 20/04/ 2007
pour consulter la dernière version (pdf, texte en anglais) du cahier des charges de la palettes CP cliquer ici. ]

La correspondance au sujet des palettes CP doit être adressée à :

Association of Plastics Manufacturers in Europe AISBL
Avenue E. Van Nieuwenhuyse 4 Box 3
B-1160 Brussels

Telephone [+32-2] 675 32 97
Facsimile [+32-2] 675 39 35
Internet: www.plasticseurope.org

 

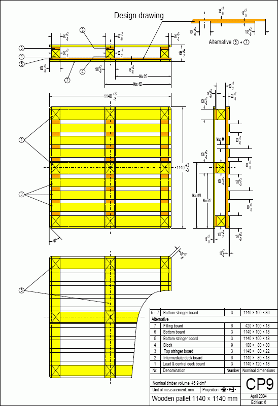
Le cahier des charges définit neuf standards de palettes multirotations, référencés de CP1 à CP9.

Les caractéristiques communes aux neuf standards sont :

- palettes multirotations, réutilisables et réparables.
- palettes à quatre entrées (à dés ou à chevrons entaillés selon les modèles)
- matériau bois, avec possibilité d'utiliser des dés en matériau composite : bois pressé ou matière plastique. Les pointes de fixation sont en acier.

 

Différents types de palettes CP
Cliquer sur les palettes pour agrandir
cp1 cp 3
cp4 cp 5 cp 6
cp 7 cp8 cp 9

 

 

Marquage des palettes CP

 

marquage palette cp


Le contrôle (limité) des palettes CP est effectuée par l'Association of Plastics Manufacturers in Europe APME / Plastic europe.

Cet organisme :
- autorise la fabrication (délivrance d'un numéro d'agrément)
- assure la diffusion des palettes
- prend en charge la collecte.

Pour toute question complémentaire, contacter :

Association of Plastics Manufacturers in Europe AISBL
Avenue E. Van Nieuwenhuyse 4 Box 3
B-1160 Brussels

Phone [+32-2] 675 32 97
Fax[+32-2] 675 39 35
www.plasticseurope.org

retour